Instalacja elektryczna, wymiana z 7 na 13 pin, mój schemat może się przyda
Instalacja elektryczna, wymiana z 7 na 13 pin, mój schemat może się przyda
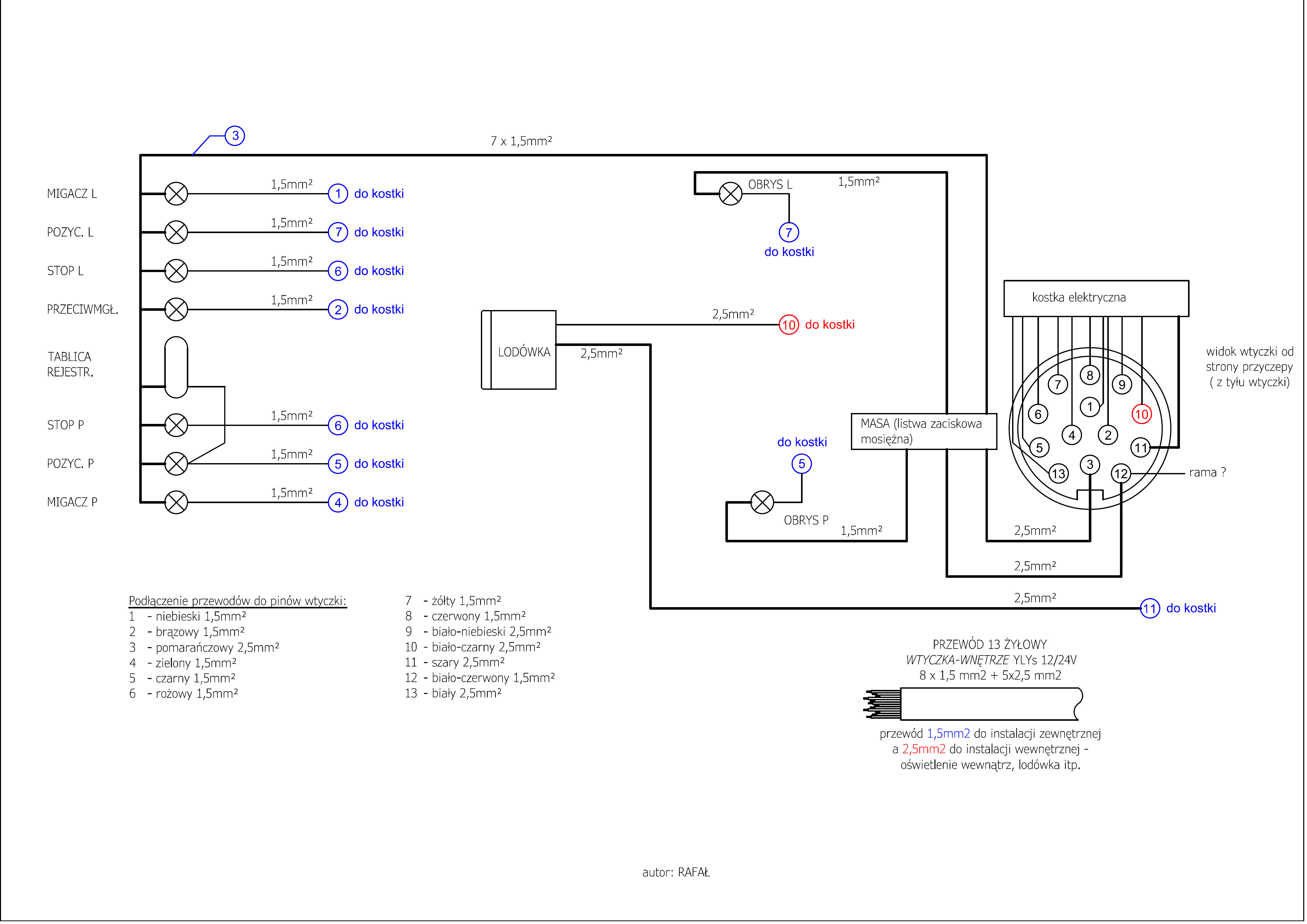
Cześć. Jestem właśnie po wymianie instalacji 12V z 7 pin na 13. Kupiłem wtyczkę i przewód o dł. 3m Yly's 8x1,5+5x2,5mm. Najpierw rozrysowałem sobie schemat wg moich potrzeb. Wymieniłem instalację oświetlenia zewnętrznego na nową, instalacje oświetlenia wewnętrznego zostawiłem bo byłą prowadzona pod tapicerką. Każdą żyłę oznaczyłem odpowiednim numerem zgodnie ze schematem, numer jest przy każdej lampie oraz przy kostce elektrycznej głównej. Dzisiaj byłą próba,wszystko śmiga cacy. Kabel masy dałem w jednym kawałku bez cięcia. W załączeniu schemat oraz zdjęcie kostki el. (jeszcze nie skończona) - może się komuś przyda.
Pozdrawiam.
Rafał
Pozdrawiam.
Rafał
Rafał
Niewiadów N126E, 1990r. + Citroen C3 Picasso

Niewiadów N126E, 1990r. + Citroen C3 Picasso

Re: Instalacja elektryczna, wymiana z 7 na 13 pin, mój schemat może się przyda
Ładnie zrobione.
N126n
Remont eNki
Remont eNki
-
Samoogon
Re: Instalacja elektryczna, wymiana z 7 na 13 pin, mój schemat może się przyda
Nawet bardzo ładnie, napracowałeś się o to żeby to pokazać. Wielki szacun ode mnie, na pewno się to przyda.
- kooba
- Administrator

- Posty: 5944
- Rejestracja: środa, 13 cze 2012, 10:00
- Lokalizacja: Lublin
- Kontaktowanie:
Re: Instalacja elektryczna, wymiana z 7 na 13 pin, mój schemat może się przyda
Z czego te numerki na przewodach? Super sprawa przy takim połączeniu.
Niewiadów N126n
Niewiadów N132T
Hobby 560 UFE
Dethleffs Camper 530 FSK
Adria Twin 640 SHX
KIA Sorento '21
Jeep Grand Cherokee '01 - upgrade
active
unread
Mądrość przychodzi z wiekiem, ale niestety często wiek przychodzi sam
Niewiadów N132T
Hobby 560 UFE
Dethleffs Camper 530 FSK
Adria Twin 640 SHX
KIA Sorento '21
Jeep Grand Cherokee '01 - upgrade
active
unread
Mądrość przychodzi z wiekiem, ale niestety często wiek przychodzi sam
Re: Instalacja elektryczna, wymiana z 7 na 13 pin, mój schemat może się przyda
Ja korzystałem z takich jak na zdjęciach. Odłamujesz i nasuwasz na przewód, są elastyczne. Każdy numerek to paczka po 100szt. Nie wiem czy można kupić mniejsze zestawy.
Rafał
Niewiadów N126E, 1990r. + Citroen C3 Picasso

Niewiadów N126E, 1990r. + Citroen C3 Picasso

Re: Instalacja elektryczna, wymiana z 7 na 13 pin, mój schemat może się przyda
kooba pisze:Z czego te numerki na przewodach? Super sprawa przy takim połączeniu.
https://allegro.pl/listing?string=oznac ... u-1-4-0313
Grześ.
- kooba
- Administrator

- Posty: 5944
- Rejestracja: środa, 13 cze 2012, 10:00
- Lokalizacja: Lublin
- Kontaktowanie:
Re: Instalacja elektryczna, wymiana z 7 na 13 pin, mój schemat może się przyda
Te paczki po 1000 to są straszne. Niby 40 zł nie majątek, tylko po co.
Niewiadów N126n
Niewiadów N132T
Hobby 560 UFE
Dethleffs Camper 530 FSK
Adria Twin 640 SHX
KIA Sorento '21
Jeep Grand Cherokee '01 - upgrade
active
unread
Mądrość przychodzi z wiekiem, ale niestety często wiek przychodzi sam
Niewiadów N132T
Hobby 560 UFE
Dethleffs Camper 530 FSK
Adria Twin 640 SHX
KIA Sorento '21
Jeep Grand Cherokee '01 - upgrade
active
unread
Mądrość przychodzi z wiekiem, ale niestety często wiek przychodzi sam
-
Samoogon
Re: Instalacja elektryczna, wymiana z 7 na 13 pin, mój schemat może się przyda
Sorki za offa ale jak to u was nazywają?
Ja słyszałem i tak w pracy na to mówią "obszywki"
A u Was?
Ja słyszałem i tak w pracy na to mówią "obszywki"
A u Was?
Re: Instalacja elektryczna, wymiana z 7 na 13 pin, mój schemat może się przyda
kooba pisze:Te paczki po 1000 to są straszne. Niby 40 zł nie majątek, tylko po co.
Dostałem za darmo to wykorzystałem, pewnie bym nie kupił i szukał innego rozwiązania.
Rafał
Niewiadów N126E, 1990r. + Citroen C3 Picasso

Niewiadów N126E, 1990r. + Citroen C3 Picasso

Re: Instalacja elektryczna, wymiana z 7 na 13 pin, mój schemat może się przyda
Samoogon pisze:Sorki za offa ale jak to u was nazywają?
Ja słyszałem i tak w pracy na to mówią "obszywki"
A u Was?
Oznacznik kablowe to fachowa nazwa.
Np.
https://allegro.pl/oferta/oznaczniki-ka ... witemShare
Tak rodzinne jest u nas:
N126n + e61 535d
N126n + e46 touring 320d
N126n + A4 B7 Avant 2.0TDI

N126n + e61 535d
N126n + e46 touring 320d
N126n + A4 B7 Avant 2.0TDI
-
Samoogon
Re: Instalacja elektryczna, wymiana z 7 na 13 pin, mój schemat może się przyda
Ja nie pytałem jak to się nazywa, tylko jak to nazywają. Na opaski plastikowe niewielu tak mówi, trytytki, zipki itp
Re: Instalacja elektryczna, wymiana z 7 na 13 pin, mój schemat może się przyda
A dlaczego masa ma być w jednym kawałku?
Ja będę robił tak jak na moim schemacie i masa będzie łączona za pomocą wago, może tak być?
Polskie znaki...
Ja będę robił tak jak na moim schemacie i masa będzie łączona za pomocą wago, może tak być?
Polskie znaki...
Re: Instalacja elektryczna, wymiana z 7 na 13 pin, mój schemat może się przyda
A ja skorzystałem z europejskich norm tak, że jak zmienię przyczepę to będzie pasowało.
Burstner Ventana 400 ts
N 126 NL
była - N 250
była NIEWIADÓW SKŁADANA ŁÓDŹ WĘDKARSKA TYP 10
N 126 NL
była - N 250
była NIEWIADÓW SKŁADANA ŁÓDŹ WĘDKARSKA TYP 10
Re: Instalacja elektryczna, wymiana z 7 na 13 pin, mój schemat może się przyda
Pelem profesjonalizm.
U mnie od haka szły wszystkie przewody niebieskie.
U mnie od haka szły wszystkie przewody niebieskie.
Niewiadów N 126n
Holownik T4 2,4 D
Veni Vidi Vici
III Jesienny Spot FKN - Ciechocinek - 9 - 12 listopad 2018
Holownik T4 2,4 D
Veni Vidi Vici
III Jesienny Spot FKN - Ciechocinek - 9 - 12 listopad 2018
Kto jest online
Użytkownicy przeglądający to forum: Obecnie na forum nie ma żadnego zarejestrowanego użytkownika i 8 gości

